Forum tinycontrol
Czujnik SPS30 zawiesza LK3.6 - Wersja do druku

+- Forum tinycontrol (https://forum.tinycontrol.pl)
+-- Dział: LanKontroler - sprzęt i wersje wsadów, problemy, zastosowanie (https://forum.tinycontrol.pl/forumdisplay.php?fid=3)
+--- Dział: LanKontroler V3.5 (https://forum.tinycontrol.pl/forumdisplay.php?fid=28)
+--- Wątek: Czujnik SPS30 zawiesza LK3.6 (/showthread.php?tid=961)



Czujnik SPS30 zawiesza LK3.6 - marcinb - 10-12-2019

Witam,
Otórz mam taki problem mam podłączone czujniki 1wire i czujnik BME280 do Lan Kontrolera 3.6 z firmware 1.11. 
Teraz ładnie LK pracuje sobie przez 10 dni i podłączyłem SPS30 podziałał z pół godziny i LK umarł, po restarcie nie widać go w sieci i po kolejnym również. 
Dopiero jak odpiołem SPS30 to zaczoł LK działać poprawnie.

Czy ktos mi podpowie co jest nie tak ??
Czy uszkodzony LK czy SPS ??

Wczoraj jeszcze odłaczyłem wszystko od LK i podłaczyłem tylko SPS30, niestety po 5 minutach LK umarł Sad Więc problem leży ... sam nie wiem gdzie Smile


RE: Czujnik SPS30 zawiesza LK3.6 - wilkxt - 10-14-2019

(10-12-2019, 10:39 AM)marcinb napisał(a): Witam,
Otórz mam taki problem mam podłączone czujniki 1wire i czujnik BME280 do Lan Kontrolera 3.6 z firmware 1.11. 
Teraz ładnie LK pracuje sobie przez 10 dni i podłączyłem SPS30 podziałał z pół godziny i LK umarł, po restarcie nie widać go w sieci i po kolejnym również. 
Dopiero jak odpiołem SPS30 to zaczoł LK działać poprawnie.

Czy ktos mi podpowie co jest nie tak ??
Czy uszkodzony LK czy SPS ??

Wczoraj jeszcze odłaczyłem wszystko od LK i podłaczyłem tylko SPS30, niestety po 5 minutach LK umarł Sad Więc problem leży ... sam nie wiem gdzie Smile
Sprawdzimy to

A czy nie podpinasz przypadkiem DS18B20 do gniazd na I2C?


RE: Czujnik SPS30 zawiesza LK3.6 - marcinb - 10-14-2019

(10-14-2019, 01:33 PM)wilkxt napisał(a):
(10-12-2019, 10:39 AM)marcinb napisał(a): Witam,
Otórz mam taki problem mam podłączone czujniki 1wire i czujnik BME280 do Lan Kontrolera 3.6 z firmware 1.11. 
Teraz ładnie LK pracuje sobie przez 10 dni i podłączyłem SPS30 podziałał z pół godziny i LK umarł, po restarcie nie widać go w sieci i po kolejnym również. 
Dopiero jak odpiołem SPS30 to zaczoł LK działać poprawnie.

Czy ktos mi podpowie co jest nie tak ??
Czy uszkodzony LK czy SPS ??

Wczoraj jeszcze odłaczyłem wszystko od LK i podłaczyłem tylko SPS30, niestety po 5 minutach LK umarł Sad Więc problem leży ... sam nie wiem gdzie Smile
Sprawdzimy to

A czy nie podpinasz przypadkiem DS18B20 do gniazd na I2C?
Nie nie, 18B20 działają pod 1wire


RE: Czujnik SPS30 zawiesza LK3.6 - wilkxt - 10-14-2019

Jeszce dla pewności SPS30 podpinasz na I2C? Bo on ma tez mozliwosc podpięcia po UART?

Najlepiej jak byś zrobił fotke i opisal jak masz te czujniki to rozdizlecza(bo zakladam, że jakis masz) wpiete


RE: Czujnik SPS30 zawiesza LK3.6 - marcinb - 10-15-2019

(10-14-2019, 04:26 PM)wilkxt napisał(a): Jeszce dla pewności SPS30 podpinasz na I2C? Bo on ma tez mozliwosc podpięcia po UART?

Najlepiej jak byś zrobił fotke i opisal jak masz te czujniki to rozdizlecza(bo zakladam, że jakis masz) wpiete

Dla pewności potwierdzam, że podłączone pod I2C nie pod UART.
Właśnie w tym problem że nic nie mam podpięte pod INP6 tylko sam SPS30, i tak jak pisałem pokazują się odczyty i po 5 minutach LK3 umiera. 

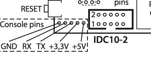
Mam jeszcze prośbę gdybyście wrzucili jakiś schemat kabelka COM na PINY KONSOLI, to może bym coś zobaczył co się z nim dzieje.


RE: Czujnik SPS30 zawiesza LK3.6 - notek - 10-16-2019

[attachment=574 napisał(a):         marcinb pid='6034' dateline='1571114137']
(10-14-2019, 04:26 PM)wilkxt napisał(a): Jeszce dla pewności SPS30 podpinasz na I2C? Bo on ma tez mozliwosc podpięcia po UART?

Najlepiej jak byś zrobił fotke i opisal jak masz te czujniki to rozdizlecza(bo zakladam, że jakis masz) wpiete

Dla pewności potwierdzam, że podłączone pod I2C nie pod UART.
Właśnie w tym problem że nic nie mam podpięte pod INP6 tylko sam SPS30, i tak jak pisałem pokazują się odczyty i po 5 minutach LK3 umiera. 

Mam jeszcze prośbę gdybyście wrzucili jakiś schemat kabelka COM na PINY KONSOLI, to może bym coś zobaczył co się z nim dzieje.
jest to pokazane w krótkiej instrukcji.